• 关于我们
  • 联系我们
끠 搜索
  • 首页
    • 新闻资讯
  • 产品中心
    • GMP F 系列
    • GMP G 系列
    • GMP MC 系列
    • GMP MCH 系列
    • GMP MT-A 系列
    • GMP MT-D 系列
  • 行业应用
    • 解决方案
  • 服务支持
    • 资料下载
  • 关于我们
    • 公司简介
    • 联系我们
끠 搜索

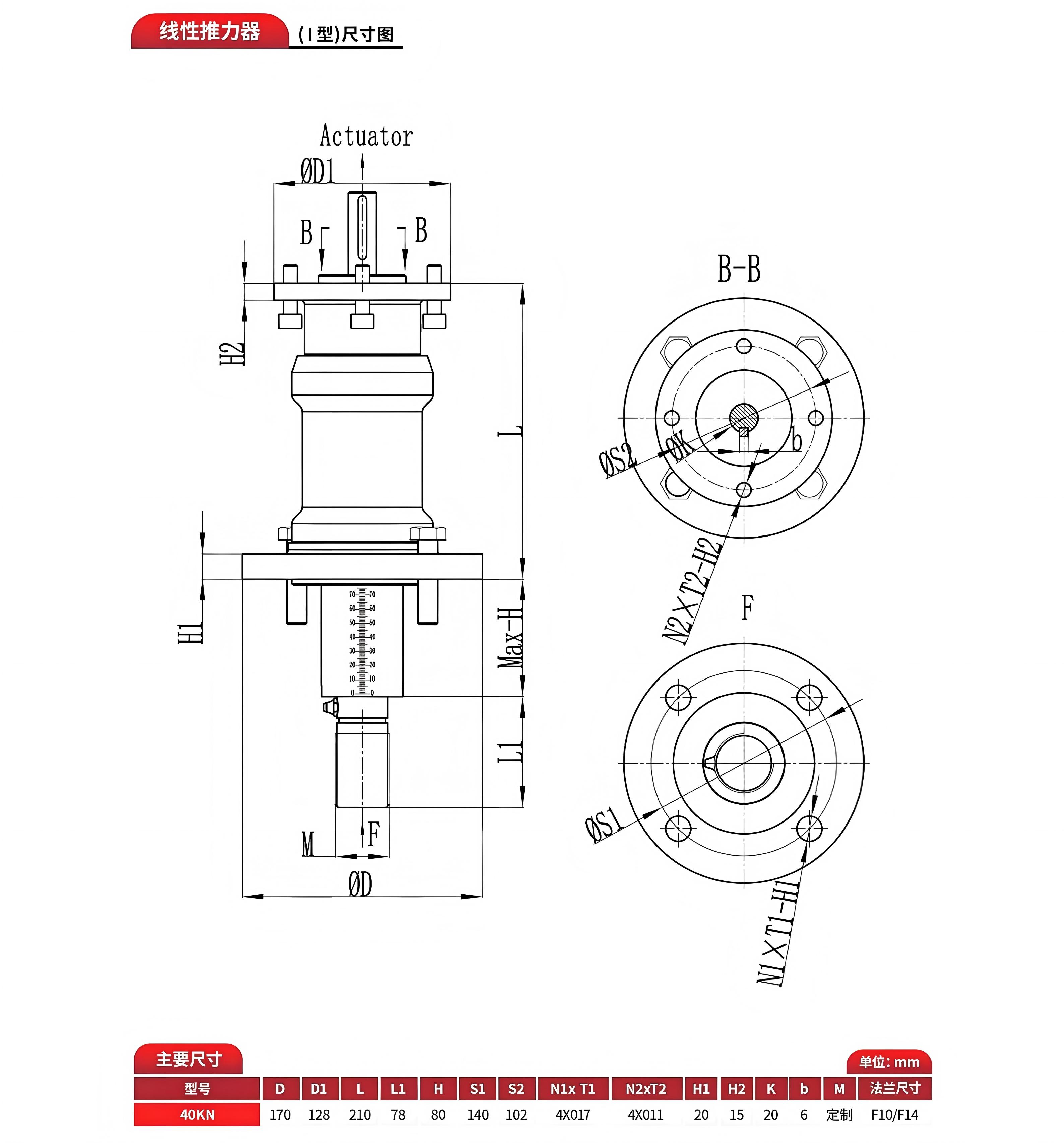
GMP G 永磁直流无刷调速电动执行机构

950c00487dc0ad79aa6f5a4ededf651
fe6efd90d4935a1f306c6e257f204a6
넳 넲

GMP G 永磁直流无刷调速电动执行机构

在线选型支持,联系客服可定制

GMP-G采用永磁直流无刷调速电机,具有0.1-0.3%超高控制精度与± 3% 高力矩检测精度,可在极度恶劣的工况下使用,哪怕是12M的水下都可稳定正常工作。电机转速可调、力矩可调,具有高精度的电子行程限位,同时具备过力矩保护功能与无摩擦电子刹车技术。

GMP-G系列适用于要求品质坚实、控制性能卓越、速度快、高精度、抗震性好、节能等重要场所。如:大型舰艇、油气及水下开采大型电站机组、精细化工等。

相关产品

GMP F 智能电动执行机构
GMP-F系列其适用于:要求体积小、功能齐全、性能稳着 、极具性价比、开关阀门速度在 1mm/s以下 、0.8%左右控制精度 、一般抗震性即可(150Hz 8g)的场所。

产品广泛应用于 : 造船、电站、冶金、石油、化工、制药、造纸、铁路、市政、轻工、建材等行业。
¥ 0.00
GMP G 永磁直流无刷调速电动执行机构
GMP-G采用永磁直流无刷调速电机,具有0.1-0.3%超高控制精度与± 3% 高力矩检测精度,可在极度恶劣的工况下使用,哪怕是12M的水下都可稳定正常工作。电机转速可调、力矩可调,具有高精度的电子行程限位,同时具备过力矩保护功能与无摩擦电子刹车技术。

GMP-G系列适用于要求品质坚实、控制性能卓越、速度快、高精度、抗震性好、节能等重要场所。如:大型舰艇、油气及水下开采大型电站机组、精细化工等。
¥ 0.00
GMP MC 双电源电动紧急复位执行机构
GMP MC系列采用超级电容作为备用电源,外供电源正常工作时,也为超级电容快速充电,进行能量储存。在外部电源故障时,作为备用电源的超级电容自动投切释放所储存的能量。同时MC系列具备GMP G系列直流电动机构的全部功能。

GMP MC系列双电源紧急切断电动控制装置的诞生,为舰船、石油化工等行业解决易燃易爆可燃液体、气体、料仓的紧急复位问题提供了完整的解决方案。
¥ 0.00
GMP MCH 双电源电液动紧急复位执行机构
GMP MCH系列采用超级电容电源永久在线,省去了传统的储油罐及其复杂的液压管路,随时可依靠电源驱动油泵,自动为液压缸补充压力,时间只需要1-2s,一次性解决油缸保压问题,液压系统变的更加简洁、可靠,执行机构体积也变得更加小型化。

GMP MCH系列拥有超大的扭力扭矩,配合由超级电容为核心的双电源设计,极大的改善了传统电液动执行机构复杂、笨重、昂贵等弊端。
¥ 0.00
GMP MT-A交流多回转电动执行机构
GMP-MT-A采用交流电机,具有高精度的电子行程限位,同时具备过力矩保护功能。GMP-MT供多回转执行器的输出范围30-12000Nm ,根据特殊工况要求,采用不同的传动比和不同的输出转速(≤63rpm)。

适用于长杆/短杆截止阀、闸阀、柱塞阀、节流阀、水闸等。
¥ 0.00
GMP MT-D直流多回转电动执行机构
GMP-MT-D采用永磁直流无刷调速电机,电机转速可调、力矩可调,具有高精度的电子行程限位,同时具备过力矩保护功能与无摩擦电子刹车技术。GMP-MT-D多回转执行器的输出范围30-6000Nm ,根据特殊工况要求,采用不同的传动比 和不同的输出转速(≤63rpm)。

适用于长杆/短杆截止阀、闸阀、柱塞阀、节流阀、水闸等。
¥ 0.00
넳 넲

产品介绍

ꄴ前一个: GMP MC 双电源电动紧急复位执行机构
ꄲ后一个: GMP F 智能电动执行机构
版权所有: 博恩科(西安)传感科技有限公司

产品中心

  • GMP F 系列
  • GMP G 系列
  • GMP MC 系列
  • GMP MCH 系列
  • GMP MT-A 系列
  • GMP MT-D 系列

服务支持

  • 服务中心
  • 资料下载

关于我们

  • 公司简介
  • 联系我们
  • 公司名称:
    博恩科(西安)传感科技有限公司
  • 电话:
    (029)89686766
  • 手机:
    177 9561 5677
  • 邮箱:
    info@bokensensor.com
  • 地址:
    陕西省西安市高新区里花北路570号永和锦湾汇2号楼1单元
 本网站由阿里云提供云计算及安全服务
本网站支持 IPv6
 本网站由阿里云提供云计算及安全服务
本网站支持 IPv6
 本网站由阿里云提供云计算及安全服务
本网站支持 IPv6
 本网站由阿里云提供云计算及安全服务
本网站支持 IPv6